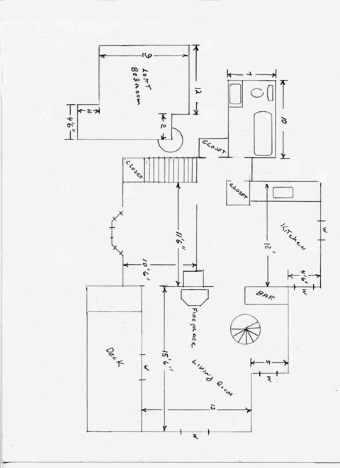
This floor plan is not to scale but dimensions are correct. You can do the math but it's approximately 800 Sq. feet
Back to Apartment description